Az ipari feladatok egyik leggyakoribb feladatának számít a különböző munkarabok megfogása. Ehhez Megfogó végszerszámokat alkalmaznak. A DH-Robotics számos megfogó végszerszámot készített robotkarok számára, melyek elérhetőek mind kis és nagy méretben.
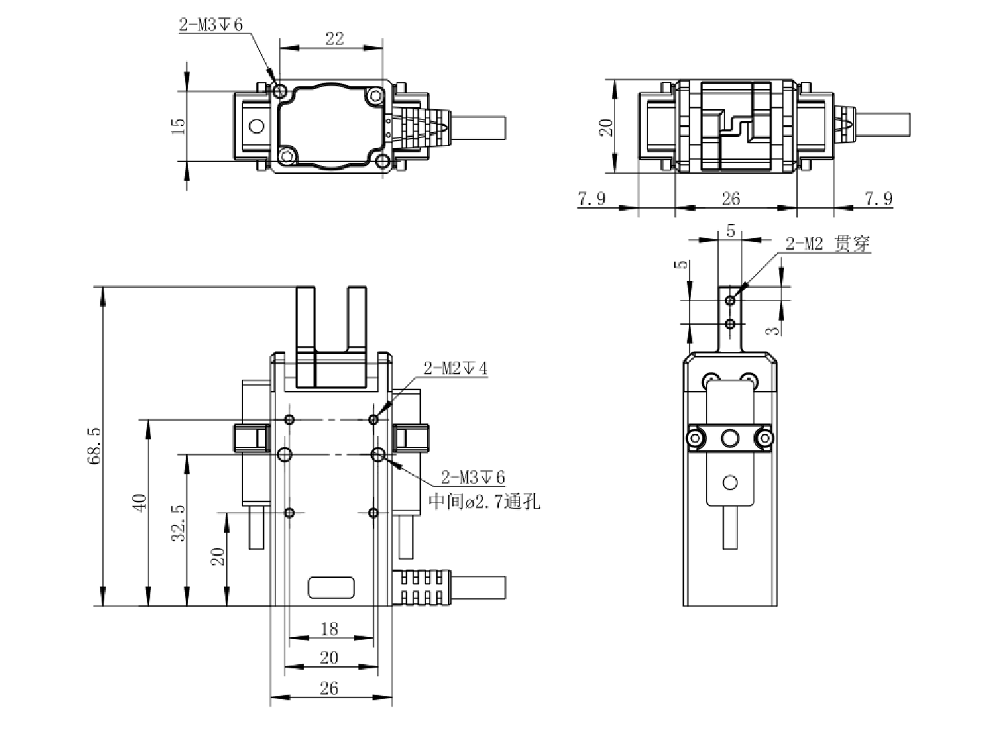
A PGS-5 egy elektromágneses üzemű megfogószerszám, mely ellentétben a PGE-2 szervómotoros üzemeltetési módjával, sokkal nagyobb megfogóerőre képes.

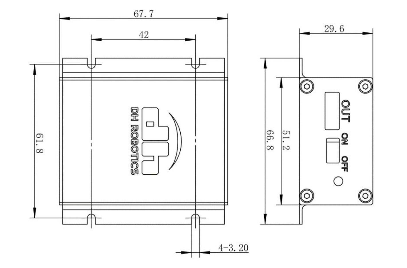
Üzembe helyezése és programozása egyszerű és felhasználóbarát. A vezérlő egységét összekötve a megfogóval, illetve az MG400 robotkarral, a fejlesztői környezetben azonnal programozható.

Cserélhető és kiegészíthető perifériáival (megfogó-pofák) Számos különböző munkadarab megfogására alkalmas végszerszám.
Jellemzők
| Megfogóerő (pofánként) | 3,5-5 N |
| Nyitási/zárási löket (mindkét oldalon) | 4 mm |
| Nyitási/zárási idő | 0,03 s / 0,03 s |
| Súly | 0,2kg |
| Zajkibocsátás | < 50 dB |
| IP védelem | IP40 |
| Kommunikációs protokollok | I/O |
| Névleges feszültség | 24V DC ± 10% |
| Névleges áram | 0,1 A |
| Csúcsáram | 2,5 A |


Csomag tartalma

| 1x Megfogó kábel | 2x Megfogó pofa |
| 1x Megfogó vezérlő | 2x Megfogó adapter |
| 2x Hetszögletű csavar (M3x8) | 6x Hatszögletű csavar (M2x6) |
| 6x Hatszögletű csavar (M2x10) | 2x Megfogó periféria végére illeszthető gumi alkatrész |
| 1x PGS-5 Megfogó | 1x Megfogó rögzítőlemez |