A DOBOT MAGICIAN asztali robotcsalád nem csak az oktatásban és szakképzésben, de az ipari alkalmazások számára is elsőrangú megoldásokat kínál. Az ipari feladatok egyik leggyakoribb feladatának számít a különböző munkarabok megfogása. Ehhez Megfogó végszerszámokat alkalmaznak. A megfelelő pontosságú szimuláció eléréséhez, a DH-Robotics által gyártott PGE-2 elnevezésű megfogó szerszám megfelelő megoldást nyújt.
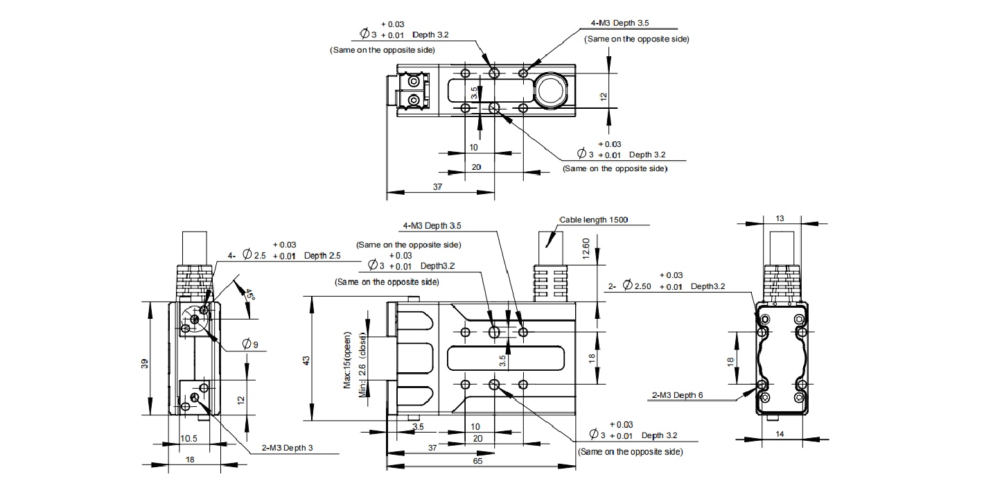
Kompakt kivitelének köszönhetően a megfogó szerszám számos körülmény szimulálására alkalmazható.Előnye a szervó motoros működési kivetele.
A szervó motorok intelligensebb módon kerültek megalkotásra, mint a hagyományos motorok. Tengelyük elfordulásának mértékét egy elektromos áramkör vezérli, így Automatikusan leállnak, amikor a kijelölt helyre fordulnak. Ez által a szerszám megfogó ereje szabályozhatóvá válik, illetve számos különböző alakú és súlyú munkadarab megfogására képes.

Valós idejű visszajelzéssel, és cserélhető perifériákkal (pofák) rendelkezik, melyek által a különböző méretű és alakú munkadarabokat a Magician Pro - MG400 könnyedén tudja kezelni.
A LUA programozási nyelv segítségével a megfogó tulajdonságainak teljes tárát megismerhetik.
Programozás
Egyszerű bekötés, egyszerű beüzemelés. A felhasználói útmutató részletes leírásokat tartalmaz a megfogó szerszám bekötéséhez, a megfogóhoz kapható RS485 - USB átalakító segítségével pedig a DobotStudio Pro szoftverben is programozható.
Az átalakító által leprogramozott funkció áthalad a vezérlő dobozon, mely átalakítja a kódsort a megfogó üzemeltetéséhez szükséges feszültség értékekké.

Jellemzők
Megfogóerő (pofánként) | 0,8-2 N |
Nyitási/zárási löket (mindkét oldalon) | 0-12 mm |
Nyitási/zárási idő | 0,2 s / 0,2 s |
Súly | 0,3kg |
Erő ismételhetőség | ± 0,1 N |
Pozíció megismételhetőség (mindkét oldalon) | ± 0,02 mm |
Zajkibocsátás | < 40 dB |
IP védelem | IP40 |
Kommunikációs protokollok | Modbus RTU (RS485), I/O |
Névleges feszültség | 24V DC ± 10% |
Névleges áram | 0,2 A |
Csúcsáram | 0,5 A |

Csomag tartalma

1x Megfogó kábel | 1x USB - 485 átalakító |
1x Megfogó vezérlő | 2x Megfogó adapter |
4x Henger alakú pin (2,5x6) | 4x Hatszögletű csavar (M3x4) |
2x Hatszögletű csavar (M3x8) | 1x Megfogó rögzítőlemez |
1x PGE-2 Megfogó |